1000W EL1002高功率智能交流阻抗电子负载
Zahner提供EL1002智能交流阻抗电子负载。与 Zahner的电化学工作站联机使用,应用于电池,电堆,超级电容,燃料电池,电解等研究领域。Zahner的智能交流/直流电子负载专为EIS测试功能优化,可以提供高精度的交流阻抗测试。
Zahnerde EL1002 电子负载通过EPC42卡与Zennium 系列 / IM7系列电化学工作站连接使用,可以进行交流阻抗,放电,极化,I-V曲线 等方面的测试。使用第三方电子负载和电源可以扩展到高电压和高电流密度的大功率能源器件的应用。
Zahner EL1002交流阻抗电子负载提供1000W功率,100V最大电压和200A最大电流,可以和第三方负载和电源联用,最大测试电流为680A,可以用于燃料电池的放电及电解研究。
EL1002智能电子负载参数如下:
| EL1002 电子负载 | |
|---|---|
| 工作模式 | POT/GAL/OC |
| 电位范围 | ±100 V |
| 最大输入电流 | 200A |
| 最大可测试电流 | 680A(需要第三方电子负载) |
| ADC分辨率 | 24 bits |
| 输入电压分辨率 | 0.596 µV(24Bit ADC) |
| 输入电流分辨率 | 11.9 µA(24Bit ADC) |
| 耗散功率 | 1000W(空气冷却) |
| EIS频率范围 | 10uH-100KHz |
| 最小可测试阻抗(电流扰动方法) | 1uΩ |
应用于100V 680A或者更高
燃料电池,锂电池,电解水

Zennium pro 和 40A大电流放大器以及EL1000交流阻抗电子负载联用

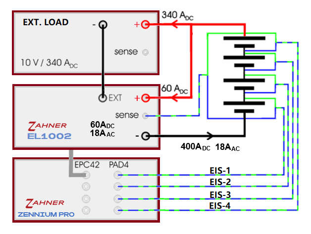
上图为EL1002和第三方电子负载联用,对100V /400A 电池组进行交流阻抗测试的示意图
(图中例子:400A放电电流,18A交流阻抗扰动电流)

上图: EL1002智能交流阻抗电子负载同第三方直流电子负载联用进行400A放电时交流阻抗测
选择PAD4平行测试模块可以同时对电池组中多个单体电池进行交流阻抗测试

上图: EL1002智能交流阻抗电子负载同外部电源联用进行充电或电解电时交流阻抗测试
选择PAD4平行测试模块可以同时记录多个单体电池的交流阻抗
(图中例子为16A电解电流+2A交流阻抗扰动)